(一):應用領域
江蘇三晶電氣科技有限公司所生產的NB2000/NB3000型動態變頻節流儀主要應用于車庫地下室的排風系統或者對空氣質量有一定要求的生產車間。
(二):工作原理介紹
開機后根據空氣中的CO(一氧化碳)含量高低與設定值做比較,自動控制變頻器頻率,空氣質量差運行頻率高,空氣質量好則運行頻率低,并有運行下限頻率任意設定。當有消防信號時自動強制轉為全速工頻運行,和消防系統防火閥等聯動,反饋消防所需各種信號,另外消控中心也可以遠程手動按鈕啟動風機。
(三):使用品牌介紹
NB3000型號整體操作為7寸彩色工業觸摸屏,品牌為市面用量第一的昆侖通泰牌子,操作界面友好,控制器核心為工業主流產品PLC進行控制(西門子PLC軟件),通用替換性強,不采用廉價的定制裸裝線路板或非標的通訊方式作為技術壁壘保密,方便用戶后期維護保養。一氧化碳傳感器采用壁掛型,一般為4-20MA或者0-10V信號輸出,對比用通訊方式的傳感器穩定和耐用性替換性有非常顯著的優勢。傳感器根據圖紙要求配置個數,一般為600平方左右配置一個傳感器,觸摸屏顯示所有傳感器的測量數值,PLC計算一氧化碳平均值進行控制,非常節能可靠,所有傳感器在出廠前全部連接在控制箱內,用戶只需到現場把線加長就行,傳感器用RVV3*0.75的普通電線就行(超過50米建議帶屏蔽)。控制箱另外內裝有變頻器,一般采用抗潮性非常好的施耐德合資易驅牌,地下室運用無憂,用戶也不需要在額外購買任何器件。
(四):控制箱設計
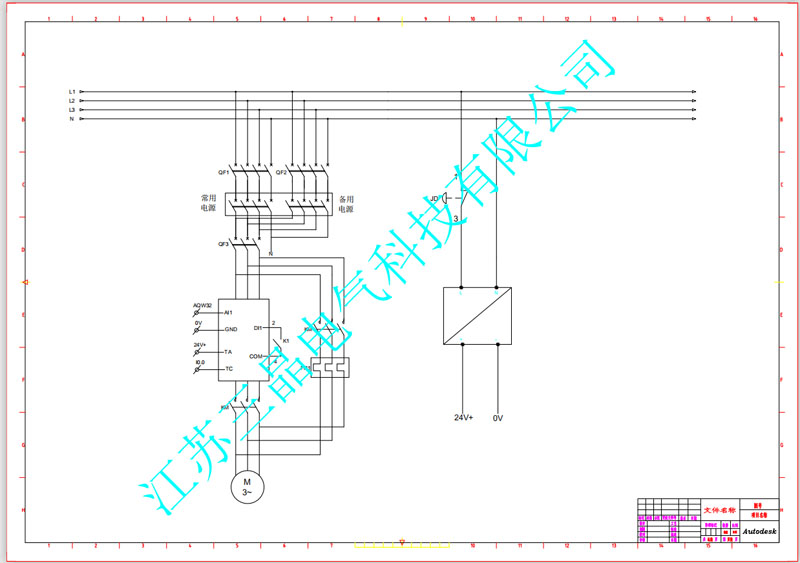
控制箱有雙電源進線和單電源進線之分,可以根據用戶實際需求而定。目前一般設計為整體型自帶雙電源控制,部分設計院設計的控制方式為分離型,也就是消防強電風機控制箱用一個箱子內部包含了雙電源開關,動態節流儀作為一個智能控制單元和強電箱進行結合,這種控制方式現場需要安裝兩個箱體相對麻煩,但也可以使用。
(五):產品資質
對風機水泵消防控制箱均有CCC/CCCF認證,全國適用,動態節流NB2000/3000均有CQC認證,確保消防驗收和用戶使用效果,所有產品質保兩年。
(一):應用領域
江蘇三晶電氣科技有限公司所生產的NB2000/NB3000型動態變頻節流儀主要應用于車庫地下室的排風系統或者對空氣質量有一定要求的生產車間。
(二):工作原理介紹
開機后根據空氣中的CO(一氧化碳)含量高低與設定值做比較,自動控制變頻器頻率,空氣質量差運行頻率高,空氣質量好則運行頻率低,并有運行下限頻率任意設定。當有消防信號時自動強制轉為全速工頻運行,和消防系統防火閥等聯動,反饋消防所需各種信號,另外消控中心也可以遠程手動按鈕啟動風機。
(三):使用品牌介紹
NB3000型號整體操作為7寸彩色工業觸摸屏,品牌為市面用量第一的昆侖通泰牌子,操作界面友好,控制器核心為工業主流產品PLC進行控制(西門子PLC軟件),通用替換性強,不采用廉價的定制裸裝線路板或非標的通訊方式作為技術壁壘保密,方便用戶后期維護保養。一氧化碳傳感器采用壁掛型,一般為4-20MA或者0-10V信號輸出,對比用通訊方式的傳感器穩定和耐用性替換性有非常顯著的優勢。傳感器根據圖紙要求配置個數,一般為600平方左右配置一個傳感器,觸摸屏顯示所有傳感器的測量數值,PLC計算一氧化碳平均值進行控制,非常節能可靠,所有傳感器在出廠前全部連接在控制箱內,用戶只需到現場把線加長就行,傳感器用RVV3*0.75的普通電線就行(超過50米建議帶屏蔽)。控制箱另外內裝有變頻器,一般采用抗潮性非常好的施耐德合資易驅牌,地下室運用無憂,用戶也不需要在額外購買任何器件。
(四):控制箱設計
控制箱有雙電源進線和單電源進線之分,可以根據用戶實際需求而定。目前一般設計為整體型自帶雙電源控制,部分設計院設計的控制方式為分離型,也就是消防強電風機控制箱用一個箱子內部包含了雙電源開關,動態節流儀作為一個智能控制單元和強電箱進行結合,這種控制方式現場需要安裝兩個箱體相對麻煩,但也可以使用。
(五):產品資質
對風機水泵消防控制箱均有CCC/CCCF認證,全國適用,動態節流NB2000/3000均有CQC認證,確保消防驗收和用戶使用效果,所有產品質保兩年。
|
(六):總覽圖 |
 |
(七):電氣原理圖 |
 |
| |
 |
(八)(人機界面)展示圖 |
 | |